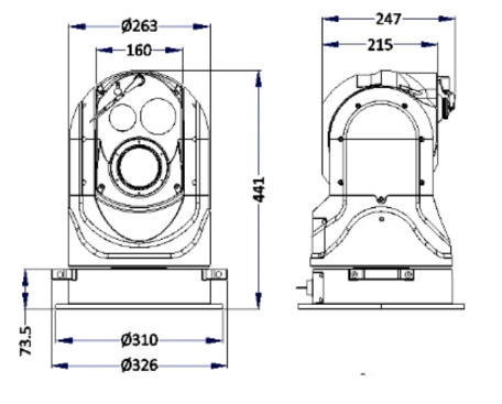
Сетевая поворотная двухканальная система наблюдения (тепловизионный, видимый канал) с двухосевым гироскопом и интегрированным лазерным дальномером
В наличииСистема VFDS-5264T, оснащенная дневной
камерой с 52-кратным увеличением и
тепловизионной камерой с разрешением
640*480, представляет видео изображение
в любых погодных условиях, а двухосевой
гироскоп обеспечивает его стабилизацию.
Встроенный лазерный дальномер позволяет в
автоматическом режиме измерять дистанцию
до объекта на удалении до 4 км.
Литой корпус выполнен из высокопрочного
сплава с водостойким и антикоррозионным
покрытием, обладает устойчивостью к низким и
высоким температурам, стойкостью к коррозии,
механической прочностью.
Система предназначена для использования на
морских и речных судах (степень защиты IP67).
устройствам по стандарту ONVIF.
CMOS-матрица с прогрессивной разверткой,
разрешением до 1920×1080, 52-кратное оптическое
увеличение.
разрешением сенсора 640*480 оснащена 75мм
объективом, подходит для функционирования
совместно с камерой дневного видения в едином
корпусе.
стабилизацию изображения.
стёкол.
4 км. Расстояние автоматически выводится на экран
оператора.
речных судах.

|
Параметры поворотной платформы |
|
|
Угол поворота |
0°~360° (непрерывно) |
|
Скорость поворота |
0,5°~300°/сек |
|
Угол наклона |
0°~90° |
|
Скорость наклона |
0,5°~200°/сек |
|
Точность установки |
±0,1° |
|
Предустановленные положения |
255 |
|
Патрулирование |
16, для каждого патрулирования предусмотрено 32 предвари- тельные настройки |
|
Шаблоны траектории |
8, для каждого шаблона доступ- на десятиминутная запись |
|
Гиростабилизация по горизонтальной оси |
Поддерживает |
|
Гиростабилизация по вертикальной оси |
Поддерживает |
|
Погрешность гиростабилизации (наклон) |
0,1° |
|
Удаленная перезагрузка |
Поддерживает |
|
3D позиционирование |
Абсолютный контроль позицио- нирования в режиме реального времени |
|
Рабочая температура |
-40°С~+70°С |
|
Рабочая влажность |
<90% |
|
Степень защиты |
IP67 |
|
Питание |
24В, постоянный ток, 5А±15% |
|
Энергопотребление |
до 60Вт максимальное |
|
Грозозащита |
6кВ |
|
Вибростойкость |
5g |
|
Вентилятор и обогрев |
Автоматическое управление температурой (<0°С, включается обогреватель; >40°С — запускает- ся вентилятор) |
|
Вес |
15,0 кг |
|
Лазерный дальномер |
|
|
Лазерный дальномер |
до 4 км |
|
Длина волны |
1535±5 nm |
|
Угол исходящего луча (дивергенция) |
0.3±0.05 мрад |
|
Угол отраженного луча |
4.21 мрад |
|
Гиростабилизация |
2-осевой, точность: 5° динами- ческой стабилизации или 2° статической стабилизации. |
|
Тепловизионный канал. Характеристики |
|
|
Сенсор |
Неохлаждаемая матрица в фокальной плоскости |
|
Шаг пикселя |
17мкм |
|
Разрешение сенсора |
640×480 |
|
Фокусное расстояние |
75мм |
|
Размер пикселя |
17 мкм |
|
Частота смены кадров |
25 кадр/сек |
|
Апертура |
F1.0 |
|
Дальность обнаружения |
До 8 км |
|
Сетевые характеристики |
|
|
Ethernet: |
10Base -T, /100Base-TX, порт RJ45 |
|
Максимальное разрешение изображения: |
40960 кБ/сек 1920×1080 |
|
Частота смены кадров: |
50Гц основной поток (1920×1080@50 кадр/сек), ос- новной поток (1280×960@50 кадр/сек), основной поток (1280×720@50 кадр/сек); доп. поток 1 (704×576@25 кадр/ сек), (352×288@25 кадр/сек), доп. поток 2 (1920×1080@50 кадр/сек), (1280×760@50 кадр/ сек), (704×576@50 кадр/сек), (352×288@50 кадр/сек) |
|
Сжатие изображения: |
H.264/H265/ MJPEG |
|
Установка области интереса (ROI): |
Поддерживает 2 зоны с регули- руемыми уровнями |
|
Частота смены кадров: |
60Гц: основной поток (1920×1080@60 кадр/сек), ос- новной поток (1280×960@60 кадр/сек), основной поток (1280×720@60 кадр/сек); доп. поток 1 (704×480@30 кадр/ сек), (352×240@30 кадр/сек), доп. поток 2 (1920×1080@60 кадр/сек), (1280×720@60 кадр/ сек), (704×576@60 кадр/сек), (352×288@60 кадр/сек) |
|
Сжатие аудио: |
G.711a/G.711u/G.722.1/G.726/MP2L2/ AAC/PCM |
|
Протоколы: |
IPv4, IPv6, HTTP, HTTPS, 802.1x, Qos, FTP, SMTP, UPnP, SNMP, DNS, DDNS, NTP, RTSP, RTP, TCP, UDP, IGMP, ICMP, DHCP; PPPoE, ARP, SNMPv1/v2c/v3(MIB-2), RTCP |
|
Количество одновременных пользователей: |
до 20 пользователей |
|
Пользователь/уровни доступа системы: |
до 19 пользователей, 3 уровня: администратор, оператор и пользователь |
|
Безопасность: |
Аутентификация пользователя (ID и пароль), хост аутентифика- ция (MAC-адрес) |
|
Видимый канал. Характеристики |
|
|
Датчик изображения: |
1/1.8″CMOS-матрица прогрес- сивной развертки |
|
Разрешение : |
1920×1080 |
|
Система передачи сигнала: |
PAL/NTSC |
|
Светочувствительность: |
Цветная: 0,002 лк (F1.8 АРУ вкл.) |
|
Баланс белого: |
Автоматический/Ручной |
|
Автоматическая регулировка усиления: |
Автоматическое/Ручное |
|
Отношение сигнал-шум: |
≥ 52дБ |
|
Компенсация фоновой засветки: |
вкл/выкл |
|
Шумоподавление |
3D |
|
Компенсация встречной засветки: |
Поддерживает |
|
Интеллектуальный антитуман: |
Поддерживает |
|
Увеличение динамического диапазона: |
Поддерживает |
|
Скорость затвора: |
1/25-1/100сек |
|
День и ночь: |
ИК-фильтр (ICR) автоматиче- ский или цифровой цветной на ч/б |
|
Цифровое увеличение: |
16-ти кратное |
|
Автоматическая фокусировка: |
Автоматическая/ полуавтомати- ческая / ручная |
|
Управление камерой: |
Поворот/наклон, увеличение, фокусировка, центрирование кликом, увеличение перемеще- нием мыши, контроль диафраг- мы, вызов и программирование предустановленных положений, автоматический режим |
|
Отображение даты и времени: |
Время: неделя, дата, 6 форматов по усмотрению клиента |
|
Клиент: |
Поддерживается |
|
Браузер: |
IE 7+, Chrome 18 +, Firefox 5.0 +, Safari 5.02 + |
Поделиться